Od 01.01.2026 do nabídky zařazeny novinky, zejména ochranné kryty strojů a měřidla ! Kompletní nabídka na www.krytystroju.cz a www.svetmeridel.cz.
vhodné pro soustruhy všech typů a různé druhy frézovacích, vrtacích a CNC zařízení; broušené vodicí a styčné plochy; spirálová destička zápustkově kovaná z legované kalené oceli
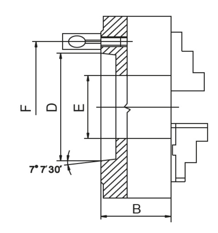
Tato soustružnická sklíčidla zaručují homogenní upínací sílu díky samostředicím upínacím čelistem a přesné soustřednosti
soustružnické sklíčidlo vč. 1 sady pevných čelistí s vnitřním/vnějším stupňováním, klíče a fixačních šroubů
| Ø mm |
KK / Taper |
B mm |
D mm |
E mm |
F mm |
RPM MAX min -1 |
kg |
| 125 | 3 | 59,5 | 54 | 35,5 | 70,6 | 4800 | 5 |
| 125 | 4 | 59,5 | 63,5 | 35,5 | 82,6 | 4800 | 5 |
| 160 | 3 | 68 | 54 | 42 | 70,6 | 4500 | 9 |
| 160 | 4 | 68 | 63,5 | 42 | 82,6 | 4500 | 9 |
| 160 | 5 | 68 | 82,6 | 42 | 104,8 | 4500 | 9 |
| 200 | 4 | 78 | 63,5 | 55 | 82,6 | 4000 | 19 |
| 200 | 5 | 78 | 82,6 | 55 | 104,8 | 4000 | 19 |
| 200 | 6 | 78 | 106,4 | 55 | 133,4 | 4000 | 19 |
| 250 | 6 | 89 | 106,4 | 76 | 133,4 | 3500 | 32 |
| 250 | 8 | 89 | 139,7 | 76 | 171,4 | 3500 | 32 |
| 315 | 6 | 96,2 | 106,4 | 103 | 133,4 | 2800 | 51 |
| 315 | 8 | 96,2 | 139,7 | 103 | 171,4 | 2800 | 51 |
| 315 | 11 | 140 | 196,9 | 103 | 235 | 2800 | 51 |
| 400 | 8 | 108 | 139,7 | 136 | 171,4 | 2000 | 101 |
| 400 | 11 | 108 | 196,9 | 136 | 235 | 2000 | 101 |
Parametry
| A | B | Čelní házení | D | E | F | Házivost | kg | Kužel | Max.up.síla daN | Nevyváženost gcm | Oběžný pr.max | Rozsah vnější | Rozsah vnitřní | U/min max |
|---|---|---|---|---|---|---|---|---|---|---|---|---|---|---|
| 125 | 59.5 | 0.02 | 63.5 | 35.5 | 82.6 | 0.035 | 5 | 4 | 2400 | 23 | 151 | 34-115 | 3-125 | 4800 |
Tento produkt najdete v našem KATALOGU na straně 16 (2021)
Kartu tohoto produktu si můžete vytisknout zde

Tříčelisťové sklíčidlo 200 mm, ocel, DIN 55029-5", dvoudílné čelisti, CAMLOCK
Kód: ZE-8369-205
Strana katalogu: 16 (2021)
27 508,00 Kč/ks
22 016,00 Kč/ks

Tříčelisťové sklíčidlo 400 mm, ocel, DIN 55027-8", jednodílné čelisti, kuželové upnutí
Kód: ZE-8357-408
Strana katalogu: 15 (2021)
73 629,00 Kč/ks
58 903,00 Kč/ks

Tříčelisťové sklíčidlo 400 mm, ocel, DIN 55029-8", jednodílné čelisti, CAMLOCK
Kód: ZE-8359-408
Strana katalogu: 16 (2021)
83 616,00 Kč/ks
66 898,00 Kč/ks

Tříčelisťové sklíčidlo 80 mm, litina, DIN 6350, jednodílné čelisti, válcové upnutí
Kód: ZE-6353-080
Strana katalogu: 13 (2021)
6 707,00 Kč/ks
5 370,00 Kč/ks

Tříčelisťové sklíčidlo 400 mm, ocel, DIN 55026-8", jednodílné čelisti, kuželové upnutí
Kód: ZE-8356-408
Strana katalogu: 14 (2021)
81 454,00 Kč/ks
65 173,00 Kč/ks

Tříčelisťové sklíčidlo 200 mm, litina, DIN 6350, dvoudílné čelisti, válcové upnutí
Kód: ZE-6363-200
Strana katalogu: 14 (2021)
12 077,00 Kč/ks
9 671,00 Kč/ks

Tříčelisťové sklíčidlo 125 mm, litina, DIN 6350, jednodílné čelisti, válcové upnutí
Kód: ZE-6353-125
Strana katalogu: 13 (2021)
7 655,00 Kč/ks
6 124,00 Kč/ks

Tříčelisťové sklíčidlo 500 mm, ocel, DIN 6350, jednodílné čelisti, válcové upnutí
Kód: ZE-8353-500
Strana katalogu: 13 (2021)
152 653,00 Kč/ks
122 132,00 Kč/ks

3-čelisťové sklíčidlo 200 mm, litina, DIN 6350, jednodílné čelisti, 3 x vrtané z čelní strany
Kód: ZE-6353-201
Strana katalogu: 13 (2021)
12 539,00 Kč/ks
10 036,00 Kč/ks

3-čelisťové sklíčidlo 160 mm, litina, DIN 6350, jednodílné čelisti, 3 x vrtané z čelní strany
Kód: ZE-6353-161
Strana katalogu: 13 (2021)
10 085,00 Kč/ks
8 068,00 Kč/ks

Tříčelisťové sklíčidlo 100 mm, ocel, DIN 6350, jednodílné čelisti, válcové upnutí
Kód: ZE-8353-100
Strana katalogu: 13 (2021)
11 300,00 Kč/ks
9 040,00 Kč/ks

Tříčelisťové sklíčidlo 125 mm, ocel, DIN 55027-4", dvoudílné čelisti, kuželové upnutí
Kód: ZE-8367-124
Strana katalogu: 15 (2021)
17 375,00 Kč/ks
13 900,00 Kč/ks

Tříčelisťové sklíčidlo 250 mm, ocel, DIN 55027-6", jednodílné čelisti, kuželové upnutí
Kód: ZE-8357-256
Strana katalogu: 15 (2021)
30 326,00 Kč/ks
24 251,00 Kč/ks

Tříčelisťové sklíčidlo 250 mm, ocel, DIN 55029-6", dvoudílné čelisti, CAMLOCK
Kód: ZE-8369-256
Strana katalogu: 16 (2021)
36 596,00 Kč/ks
29 282,00 Kč/ks

Tříčelisťové sklíčidlo 200 mm, litina, DIN 6350, jednodílné čelisti, válcové upnutí
Kód: ZE-6353-200
Strana katalogu: 13 (2021)
10 473,00 Kč/ks
8 384,00 Kč/ks

3-čelisťové sklíčidlo 250 mm, litina, DIN 6350, jednodílné čelisti, 3 x vrtané z čelní strany
Kód: ZE-6353-251
Strana katalogu: 13 (2021)
15 892,00 Kč/ks
12 709,00 Kč/ks

Tříčelisťové sklíčidlo 200 mm, ocel, DIN 55026-6", jednodílné čelisti, kuželové upnutí
Kód: ZE-8356-206
Strana katalogu: 14 (2021)
23 279,00 Kč/ks
18 614,00 Kč/ks

Tříčelisťové sklíčidlo 125 mm, ocel, DIN 55027-4", jednodílné čelisti, kuželové upnutí
Kód: ZE-8357-124
Strana katalogu: 15 (2021)
15 358,00 Kč/ks
12 296,00 Kč/ks

Tříčelisťové sklíčidlo 100 mm, litina, DIN 6350, jednodílné čelisti, válcové upnutí
Kód: ZE-6353-100
Strana katalogu: 13 (2021)
7 217,00 Kč/ks
5 783,00 Kč/ks

Tříčelisťové sklíčidlo 200 mm, ocel, DIN 55027-5", jednodílné čelisti, kuželové upnutí
Kód: ZE-8357-205
Strana katalogu: 15 (2021)
22 915,00 Kč/ks
18 322,00 Kč/ks

Tříčelisťové sklíčidlo 125 mm, ocel, DIN 55027-3", jednodílné čelisti, kuželové upnutí
Kód: ZE-8357-123
Strana katalogu: 15 (2021)
15 358,00 Kč/ks
12 296,00 Kč/ks

Tříčelisťové sklíčidlo 315 mm, ocel, DIN 55027-6", jednodílné čelisti, kuželové upnutí
Kód: ZE-8357-316
Strana katalogu: 15 (2021)
45 271,00 Kč/ks
36 207,00 Kč/ks

Tříčelisťové sklíčidlo 160 mm, ocel, DIN 55027-4", jednodílné čelisti, kuželové upnutí
Kód: ZE-8357-164
Strana katalogu: 15 (2021)
17 715,00 Kč/ks
14 167,00 Kč/ks

Tříčelisťové sklíčidlo 315 mm, ocel, DIN 55029-11", dvoudílné čelisti, CAMLOCK
Kód: ZE-8369-311
Strana katalogu: 16 (2021)
53 193,00 Kč/ks
42 549,00 Kč/ks

Tříčelisťové sklíčidlo 125 mm, ocel, DIN 55029-4", dvoudílné čelisti, CAMLOCK
Kód: ZE-8369-124
Strana katalogu: 16 (2021)
20 631,00 Kč/ks
16 500,00 Kč/ks

Tříčelisťové sklíčidlo 400 mm, ocel, DIN 55027-11", jednodílné čelisti, kuželové upnutí
Kód: ZE-8357-411
Strana katalogu: 15 (2021)
73 629,00 Kč/ks
58 903,00 Kč/ks

Tříčelisťové sklíčidlo 160 mm, ocel, DIN 6350, dvoudílné čelisti, válcové upnutí
Kód: ZE-8363-160
Strana katalogu: 14 (2021)
16 135,00 Kč/ks
12 903,00 Kč/ks

Tříčelisťové sklíčidlo 315 mm, ocel, DIN 55029-8", jednodílné čelisti, CAMLOCK
Kód: ZE-8359-318
Strana katalogu: 16 (2021)
50 544,00 Kč/ks
40 435,00 Kč/ks

Tříčelisťové sklíčidlo 315 mm, ocel, DIN 55029-6", dvoudílné čelisti, CAMLOCK
Kód: ZE-8369-316
Strana katalogu: 16 (2021)
53 193,00 Kč/ks
42 549,00 Kč/ks

Tříčelisťové sklíčidlo 160 mm, ocel, DIN 55029-5", jednodílné čelisti, CAMLOCK
Kód: ZE-8359-165
Strana katalogu: 16 (2021)
19 537,00 Kč/ks
15 625,00 Kč/ks

Tříčelisťové sklíčidlo 160 mm, ocel, DIN 55029-5", dvoudílné čelisti, CAMLOCK
Kód: ZE-8369-165
Strana katalogu: 16 (2021)
23 304,00 Kč/ks
18 638,00 Kč/ks

Tříčelisťové sklíčidlo 160 mm, ocel, DIN 55026-5", jednodílné čelisti, kuželové upnutí
Kód: ZE-8356-165
Strana katalogu: 14 (2021)
18 930,00 Kč/ks
15 139,00 Kč/ks

Tříčelisťové sklíčidlo 250 mm, ocel, DIN 55027-8", dvoudílné čelisti, kuželové upnutí
Kód: ZE-8367-258
Strana katalogu: 15 (2021)
31 663,00 Kč/ks
25 321,00 Kč/ks

Tříčelisťové sklíčidlo 125 mm, ocel, DIN 6350, jednodílné čelisti, válcové upnutí
Kód: ZE-8353-125
Strana katalogu: 13 (2021)
12 855,00 Kč/ks
10 279,00 Kč/ks

Tříčelisťové sklíčidlo 160 mm, ocel, DIN 6350, jednodílné čelisti, válcové upnutí
Kód: ZE-8353-160
Strana katalogu: 13 (2021)
14 629,00 Kč/ks
11 713,00 Kč/ks

Tříčelisťové sklíčidlo 315 mm, ocel, DIN 55029-6", jednodílné čelisti, CAMLOCK
Kód: ZE-8359-316
Strana katalogu: 16 (2021)
50 544,00 Kč/ks
40 435,00 Kč/ks

Tříčelisťové sklíčidlo 200 mm, ocel, DIN 55029-6", jednodílné čelisti, CAMLOCK
Kód: ZE-8359-206
Strana katalogu: 16 (2021)
23 887,00 Kč/ks
19 100,00 Kč/ks

Tříčelisťové sklíčidlo 315 mm, ocel, DIN 55029-11", jednodílné čelisti, CAMLOCK
Kód: ZE-8359-311
Strana katalogu: 16 (2021)
50 544,00 Kč/ks
40 435,00 Kč/ks

Tříčelisťové sklíčidlo 125 mm, ocel, DIN 55027-3", dvoudílné čelisti, kuželové upnutí
Kód: ZE-8367-123
Strana katalogu: 15 (2021)
17 375,00 Kč/ks
13 900,00 Kč/ks

Tříčelisťové sklíčidlo 160 mm, ocel, DIN 55027-4", dvoudílné čelisti, kuželové upnutí
Kód: ZE-8367-164
Strana katalogu: 15 (2021)
19 440,00 Kč/ks
15 552,00 Kč/ks

Tříčelisťové sklíčidlo 250 mm, ocel, DIN 55026-5", jednodílné čelisti, kuželové upnutí
Kód: ZE-8356-255
Strana katalogu: 14 (2021)
31 930,00 Kč/ks
25 539,00 Kč/ks

Tříčelisťové sklíčidlo 400 mm, ocel, DIN 55029-8", dvoudílné čelisti, CAMLOCK
Kód: ZE-8369-408
Strana katalogu: 16 (2021)
87 140,00 Kč/ks
69 717,00 Kč/ks

Tříčelisťové sklíčidlo 250 mm, ocel, DIN 55029-8", jednodílné čelisti, CAMLOCK
Kód: ZE-8359-258
Strana katalogu: 16 (2021)
32 586,00 Kč/ks
26 074,00 Kč/ks

Tříčelisťové sklíčidlo 315 mm, ocel, DIN 55027-8", jednodílné čelisti, kuželové upnutí
Kód: ZE-8357-318
Strana katalogu: 15 (2021)
45 271,00 Kč/ks
36 207,00 Kč/ks

Tříčelisťové sklíčidlo 315 mm, ocel, DIN 55026-8", jednodílné čelisti, kuželové upnutí
Kód: ZE-8356-318
Strana katalogu: 14 (2021)
47 725,00 Kč/ks
38 175,00 Kč/ks

Tříčelisťové sklíčidlo 250 mm, ocel, DIN 6350, jednodílné čelisti, válcové upnutí
Kód: ZE-8353-250
Strana katalogu: 13 (2021)
25 807,00 Kč/ks
20 655,00 Kč/ks

Tříčelisťové sklíčidlo 400 mm, ocel, DIN 55027-8", dvoudílné čelisti, kuželové upnutí
Kód: ZE-8367-408
Strana katalogu: 15 (2021)
78 197,00 Kč/ks
62 548,00 Kč/ks

Tříčelisťové sklíčidlo 200 mm, ocel, DIN 55027-6", jednodílné čelisti, kuželové upnutí
Kód: ZE-8357-206
Strana katalogu: 15 (2021)
22 915,00 Kč/ks
18 322,00 Kč/ks

Tříčelisťové sklíčidlo 250 mm, litina, DIN 6350, dvoudílné čelisti, válcové upnutí
Kód: ZE-6363-250
Strana katalogu: 14 (2021)
17 399,00 Kč/ks
13 924,00 Kč/ks

Tříčelisťové sklíčidlo 800 mm, ocel, DIN 6350, dvoudílné čelisti, válcové upnutí
Kód: ZE-8363-800
Strana katalogu: 14 (2021)
Cena na dotaz

Tříčelisťové sklíčidlo 160 mm, ocel, DIN 55029-4", dvoudílné čelisti, CAMLOCK
Kód: ZE-8369-164
Strana katalogu: 16 (2021)
23 304,00 Kč/ks
18 638,00 Kč/ks

Tříčelisťové sklíčidlo 160 mm, litina, DIN 6350, dvoudílné čelisti, válcové upnutí
Kód: ZE-6363-160
Strana katalogu: 14 (2021)
10 060,00 Kč/ks
8 043,00 Kč/ks

Tříčelisťové sklíčidlo 630 mm, ocel, DIN 6350, jednodílné čelisti, válcové upnutí
Kód: ZE-8353-630
Strana katalogu: 13 (2021)
297 894,00 Kč/ks
238 310,00 Kč/ks

Tříčelisťové sklíčidlo 500 mm, ocel, DIN 6350, dvoudílné čelisti, válcové upnutí
Kód: ZE-8363-500
Strana katalogu: 14 (2021)
177 512,00 Kč/ks
142 009,00 Kč/ks

3-čelisťové sklíčidlo 500 mm, ocel, DIN 55026-11", jednodílné čelisti
Kód: ZE-8356-511
Strana katalogu: 14 (2021)
180 719,00 Kč/ks
144 585,00 Kč/ks

Tříčelisťové sklíčidlo 400 mm, ocel, DIN 6350, jednodílné čelisti, válcové upnutí
Kód: ZE-8353-400
Strana katalogu: 13 (2021)
60 701,00 Kč/ks
48 551,00 Kč/ks

Tříčelisťové sklíčidlo 250 mm, ocel, DIN 55027-6", dvoudílné čelisti, kuželové upnutí
Kód: ZE-8367-256
Strana katalogu: 15 (2021)
31 663,00 Kč/ks
25 321,00 Kč/ks

Tříčelisťové sklíčidlo 200 mm, ocel, DIN 55029-6", dvoudílné čelisti, CAMLOCK
Kód: ZE-8369-206
Strana katalogu: 16 (2021)
27 508,00 Kč/ks
22 016,00 Kč/ks

Tříčelisťové sklíčidlo 315 mm, ocel, DIN 55029-8", dvoudílné čelisti, CAMLOCK
Kód: ZE-8369-318
Strana katalogu: 16 (2021)
53 193,00 Kč/ks
42 549,00 Kč/ks

Tříčelisťové sklíčidlo 315 mm, litina, DIN 6350, jednodílné čelisti, válcové upnutí
Kód: ZE-6353-315
Strana katalogu: 13 (2021)
21 627,00 Kč/ks
17 302,00 Kč/ks

Tříčelisťové sklíčidlo 200 mm, ocel, DIN 55027-5", dvoudílné čelisti, kuželové upnutí
Kód: ZE-8367-205
Strana katalogu: 15 (2021)
23 911,00 Kč/ks
19 124,00 Kč/ks

Tříčelisťové sklíčidlo 315 mm, ocel, DIN 6350, jednodílné čelisti, válcové upnutí
Kód: ZE-8353-315
Strana katalogu: 13 (2021)
39 633,00 Kč/ks
31 712,00 Kč/ks

Tříčelisťové sklíčidlo 250 mm, ocel, DIN 55026-6", jednodílné čelisti, kuželové upnutí
Kód: ZE-8356-256
Strana katalogu: 14 (2021)
31 930,00 Kč/ks
25 539,00 Kč/ks

Tříčelisťové sklíčidlo 400 mm, ocel, DIN 55029-11", dvoudílné čelisti, CAMLOCK
Kód: ZE-8369-411
Strana katalogu: 16 (2021)
87 140,00 Kč/ks
69 717,00 Kč/ks

Tříčelisťové sklíčidlo 630 mm, litina, DIN 6350, dvoudílné čelisti, válcové upnutí
Kód: ZE-6363-630
Strana katalogu: 14 (2021)
192 262,00 Kč/ks
153 819,00 Kč/ks

Tříčelisťové sklíčidlo 160 mm, litina, DIN 6350, jednodílné čelisti, válcové upnutí
Kód: ZE-6353-160
Strana katalogu: 13 (2021)
8 505,00 Kč/ks
6 804,00 Kč/ks

Tříčelisťové sklíčidlo 125 mm, ocel, DIN 55029-3", jednodílné čelisti, CAMLOCK
Kód: ZE-8359-123
Strana katalogu: 16 (2021)
16 840,00 Kč/ks
13 462,00 Kč/ks

Tříčelisťové sklíčidlo 400 mm, ocel, DIN 55026-11", jednodílné čelisti, kuželové upnutí
Kód: ZE-8356-411
Strana katalogu: 14 (2021)
81 454,00 Kč/ks
65 173,00 Kč/ks

Tříčelisťové sklíčidlo 315 mm, litina, DIN 6350, dvoudílné čelisti, válcové upnutí
Kód: ZE-6363-315
Strana katalogu: 14 (2021)
26 001,00 Kč/ks
20 801,00 Kč/ks

Tříčelisťové sklíčidlo 200 mm, ocel, DIN 55029-5", jednodílné čelisti, CAMLOCK
Kód: ZE-8359-205
Strana katalogu: 16 (2021)
23 887,00 Kč/ks
19 100,00 Kč/ks

Tříčelisťové sklíčidlo 400 mm, ocel, DIN 6350, dvoudílné čelisti, válcové upnutí
Kód: ZE-8363-400
Strana katalogu: 14 (2021)
68 696,00 Kč/ks
54 967,00 Kč/ks

Tříčelisťové sklíčidlo 200 mm, ocel, DIN 6350, jednodílné čelisti, válcové upnutí
Kód: ZE-8353-200
Strana katalogu: 13 (2021)
19 051,00 Kč/ks
15 236,00 Kč/ks

Tříčelisťové sklíčidlo 250 mm, ocel, DIN 55029-6", jednodílné čelisti, CAMLOCK
Kód: ZE-8359-256
Strana katalogu: 16 (2021)
32 586,00 Kč/ks
26 074,00 Kč/ks

Tříčelisťové sklíčidlo 200 mm, ocel, DIN 55029-4", jednodílné čelisti, CAMLOCK
Kód: ZE-8359-204
Strana katalogu: 16 (2021)
23 887,00 Kč/ks
19 100,00 Kč/ks

Tříčelisťové sklíčidlo 160 mm, ocel, DIN 55027-5", jednodílné čelisti, kuželové upnutí
Kód: ZE-8357-165
Strana katalogu: 15 (2021)
17 715,00 Kč/ks
14 167,00 Kč/ks

Tříčelisťové sklíčidlo 80 mm, ocel, DIN 6350, jednodílné čelisti, válcové upnutí
Kód: ZE-8353-080
Strana katalogu: 13 (2021)
9 890,00 Kč/ks
7 922,00 Kč/ks

Tříčelisťové sklíčidlo 250 mm, ocel, DIN 6350, dvoudílné čelisti, válcové upnutí
Kód: ZE-8363-250
Strana katalogu: 14 (2021)
27 896,00 Kč/ks
22 307,00 Kč/ks

Tříčelisťové sklíčidlo 800 mm, ocel, DIN 6350, jednodílné čelisti, válcové upnutí
Kód: ZE-8353-800
Strana katalogu: 13 (2021)
Cena na dotaz

Tříčelisťové sklíčidlo 400 mm, litina, DIN 6350, jednodílné čelisti, válcové upnutí
Kód: ZE-6353-400
Strana katalogu: 13 (2021)
38 224,00 Kč/ks
30 569,00 Kč/ks

Tříčelisťové sklíčidlo 400 mm, litina, DIN 6350, dvoudílné čelisti, válcové upnutí
Kód: ZE-6363-400
Strana katalogu: 14 (2021)
44 275,00 Kč/ks
35 429,00 Kč/ks

Tříčelisťové sklíčidlo 200 mm, ocel, DIN 55029-4", dvoudílné čelisti, CAMLOCK
Kód: ZE-8369-204
Strana katalogu: 16 (2021)
27 508,00 Kč/ks
22 016,00 Kč/ks

Tříčelisťové sklíčidlo 160 mm, ocel, DIN 55027-5", dvoudílné čelisti, kuželové upnutí
Kód: ZE-8367-165
Strana katalogu: 15 (2021)
19 440,00 Kč/ks
15 552,00 Kč/ks

Tříčelisťové sklíčidlo 315 mm, ocel, DIN 55027-6", dvoudílné čelisti, kuželové upnutí
Kód: ZE-8367-316
Strana katalogu: 15 (2021)
47 968,00 Kč/ks
38 370,00 Kč/ks

Tříčelisťové sklíčidlo 160 mm, ocel, DIN 55029-3", jednodílné čelisti, CAMLOCK
Kód: ZE-8359-163
Strana katalogu: 16 (2021)
19 537,00 Kč/ks
15 625,00 Kč/ks

Tříčelisťové sklíčidlo 500 mm, litina, DIN 6350, dvoudílné čelisti, válcové upnutí
Kód: ZE-6363-500
Strana katalogu: 14 (2021)
97 710,00 Kč/ks
78 173,00 Kč/ks

3-čelisťové sklíčidlo 125 mm, litina, DIN 6350, jednodílné čelisti, 3 x vrtané z čelní strany
Kód: ZE-6353-126
Strana katalogu: 13 (2021)
9 113,00 Kč/ks
7 290,00 Kč/ks

Tříčelisťové sklíčidlo 500 mm, litina, DIN 6350, jednodílné čelisti, válcové upnutí
Kód: ZE-6353-500
Strana katalogu: 13 (2021)
97 710,00 Kč/ks
78 173,00 Kč/ks

Tříčelisťové sklíčidlo 200 mm, ocel, DIN 55026-5", jednodílné čelisti, kuželové upnutí
Kód: ZE-8356-205
Strana katalogu: 14 (2021)
23 279,00 Kč/ks
18 614,00 Kč/ks

Tříčelisťové sklíčidlo 250 mm, litina, DIN 6350, jednodílné čelisti, válcové upnutí
Kód: ZE-6353-250
Strana katalogu: 13 (2021)
14 216,00 Kč/ks
11 372,00 Kč/ks

Tříčelisťové sklíčidlo 125 mm, ocel, DIN 6350, dvoudílné čelisti, válcové upnutí
Kód: ZE-8363-125
Strana katalogu: 14 (2021)
13 802,00 Kč/ks
11 032,00 Kč/ks

Tříčelisťové sklíčidlo 125 mm, ocel, DIN 55029-3", dvoudílné čelisti, CAMLOCK
Kód: ZE-8369-123
Strana katalogu: 16 (2021)
20 631,00 Kč/ks
16 500,00 Kč/ks

Tříčelisťové sklíčidlo 630 mm, litina, DIN 6350, jednodílné čelisti, válcové upnutí
Kód: ZE-6353-630
Strana katalogu: 13 (2021)
183 101,00 Kč/ks
146 480,00 Kč/ks

Tříčelisťové sklíčidlo 800 mm, litina, DIN 6350, jednodílné čelisti, válcové upnutí
Kód: ZE-6353-800
Strana katalogu: 13 (2021)
Cena na dotaz

Tříčelisťové sklíčidlo 400 mm, ocel, DIN 55027-11", dvoudílné čelisti, kuželové upnutí
Kód: ZE-8367-411
Strana katalogu: 15 (2021)
78 197,00 Kč/ks
62 548,00 Kč/ks

Tříčelisťové sklíčidlo 630 mm, ocel, DIN 6350, dvoudílné čelisti, válcové upnutí
Kód: ZE-8363-630
Strana katalogu: 14 (2021)
305 111,00 Kč/ks
244 094,00 Kč/ks

Tříčelisťové sklíčidlo 160 mm, ocel, DIN 55029-3", dvoudílné čelisti, CAMLOCK
Kód: ZE-8369-163
Strana katalogu: 16 (2021)
23 304,00 Kč/ks
18 638,00 Kč/ks

Tříčelisťové sklíčidlo 315 mm, ocel, DIN 55026-6", jednodílné čelisti, kuželové upnutí
Kód: ZE-8356-316
Strana katalogu: 14 (2021)
47 725,00 Kč/ks
38 175,00 Kč/ks

Tříčelisťové sklíčidlo 200 mm, ocel, DIN 55027-4", jednodílné čelisti, kuželové upnutí
Kód: ZE-8357-204
Strana katalogu: 15 (2021)
22 502,00 Kč/ks
18 006,00 Kč/ks

Tříčelisťové sklíčidlo 200 mm, ocel, DIN 55027-6", dvoudílné čelisti, kuželové upnutí
Kód: ZE-8367-206
Strana katalogu: 15 (2021)
23 911,00 Kč/ks
19 124,00 Kč/ks

Tříčelisťové sklíčidlo 200 mm, ocel, DIN 6350, dvoudílné čelisti, válcové upnutí
Kód: ZE-8363-200
Strana katalogu: 14 (2021)
20 558,00 Kč/ks
16 451,00 Kč/ks

Tříčelisťové sklíčidlo 315 mm, ocel, DIN 55027-11", jednodílné čelisti, kuželové upnutí
Kód: ZE-8357-311
Strana katalogu: 15 (2021)
45 247,00 Kč/ks
36 207,00 Kč/ks

Tříčelisťové sklíčidlo 250 mm, ocel, DIN 55027-8", jednodílné čelisti, kuželové upnutí
Kód: ZE-8357-258
Strana katalogu: 15 (2021)
30 326,00 Kč/ks
24 251,00 Kč/ks

Tříčelisťové sklíčidlo 160 mm, ocel, DIN 55029-4", jednodílné čelisti, CAMLOCK
Kód: ZE-8359-164
Strana katalogu: 16 (2021)
19 537,00 Kč/ks
15 625,00 Kč/ks

Tříčelisťové sklíčidlo 250 mm, ocel, DIN 55029-8", dvoudílné čelisti, CAMLOCK
Kód: ZE-8369-258
Strana katalogu: 16 (2021)
36 596,00 Kč/ks
29 282,00 Kč/ks

Tříčelisťové sklíčidlo 125 mm, litina, DIN 6350, dvoudílné čelisti, válcové upnutí
Kód: ZE-6363-125
Strana katalogu: 14 (2021)
9 064,00 Kč/ks
7 241,00 Kč/ks

Tříčelisťové sklíčidlo 250 mm, ocel, DIN 55026-8", jednodílné čelisti, kuželové upnutí
Kód: ZE-8356-258
Strana katalogu: 14 (2021)
31 930,00 Kč/ks
25 539,00 Kč/ks

Tříčelisťové sklíčidlo 800 mm, litina, DIN 6350, dvoudílné čelisti, válcové upnutí
Kód: ZE-6363-800
Strana katalogu: 14 (2021)
Cena na dotaz

Tříčelisťové sklíčidlo 400 mm, ocel, DIN 55029-11", jednodílné čelisti, CAMLOCK
Kód: ZE-8359-411
Strana katalogu: 16 (2021)
83 616,00 Kč/ks
66 898,00 Kč/ks

Tříčelisťové sklíčidlo 315 mm, ocel, DIN 55027-8", dvoudílné čelisti, kuželové upnutí
Kód: ZE-8367-318
Strana katalogu: 15 (2021)
47 968,00 Kč/ks
38 370,00 Kč/ks

Tříčelisťové sklíčidlo 315 mm, ocel, DIN 6350, dvoudílné čelisti, válcové upnutí
Kód: ZE-8363-315
Strana katalogu: 14 (2021)
41 359,00 Kč/ks
33 097,00 Kč/ks