Od 01.01.2026 do nabídky zařazeny novinky, zejména ochranné kryty strojů a měřidla ! Kompletní nabídka na www.krytystroju.cz a www.svetmeridel.cz.
vhodné pro soustruhy všech typů a různé druhy frézovacích, vrtacích a CNC zařízení; broušené vodicí a styčné plochy; spirálová destička zápustkově kovaná z legované kalené oceli
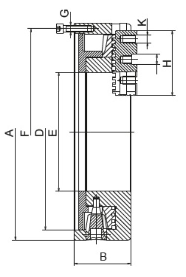
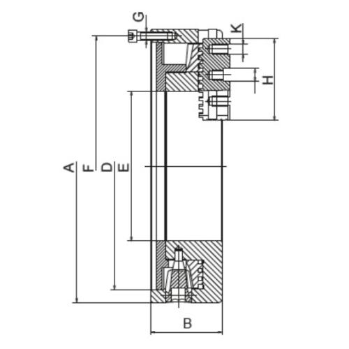
tato soustružnická sklíčidla zaručují homogenní upínací sílu díky samostředicím upínacím čelistem, s velkým průchozím otvorem pro obrábění trubek a operace svařování/řezání. Lze je používat i na soustruzích, otočných stolech a svařovacích zařízeních.
soustružnické sklíčidlo vč. 1 sady základních a tvrdých oboustranných horních čelistí, klíče a montážních šroubů
Parametry
| A | B | D | E | F | G | H | K | Rozsah | U/min max |
|---|---|---|---|---|---|---|---|---|---|
| 400 | 105 | 362 | 220 | 381 | M12 x 40 | 120 | 5/8"-11 | 130-400 | 650 |
Tento produkt najdete v našem KATALOGU na straně 22 (2021)
Kartu tohoto produktu si můžete vytisknout zde

Tříčelisťové soustružnické sklíčidlo s velkým otvorem, válcové upnutí Ø 800
Kód: ZE-3595-800
Strana katalogu: 22 (2021)
Cena na dotaz

Tříčelisťové soustružnické sklíčidlo s velkým otvorem, válcové upnutí Ø 660
Kód: ZE-3595-660
Strana katalogu: 22 (2021)
241 493,00 Kč/ks
193 185,00 Kč/ks

Tříčelisťové soustružnické sklíčidlo s velkým otvorem, válcové upnutí Ø 500
Kód: ZE-3595-508
Strana katalogu: 22 (2021)
122 764,00 Kč/ks
98 221,00 Kč/ks