Od 01.01.2026 do nabídky zařazeny novinky, zejména ochranné kryty strojů a měřidla ! Kompletní nabídka na www.krytystroju.cz a www.svetmeridel.cz.
4 individuálně nastavitelné čelisti. Samostatná sklíčidla jsou vhodná zejména pro upínání obrobků nepravidelného tvaru.
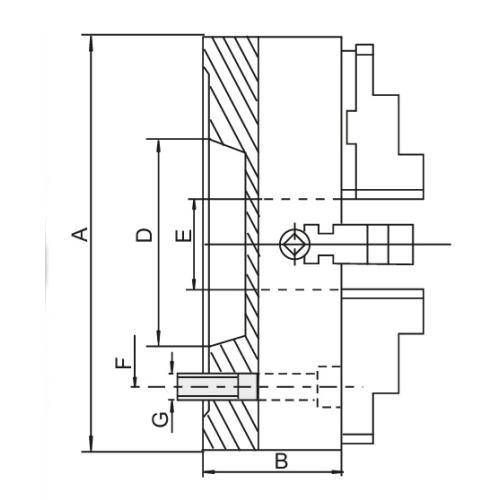
Upínací deska vč. 1 sady kalených oboustranných čelistí, klíče a montážních šroubů
| A (Ø) mm |
KK Taper |
B mm |
D mm |
E mm |
F mm |
G mm |
RPM MAX min -1 |
kg |
| 200 | 4 | 75 | 63,5 | 50 | 82,6 | 4xM10 | 1800 | 17 |
| 200 | 5 | 75 | 82,6 | 50 | 104,8 | 4xM10 | 1800 | 17 |
| 200 | 6 | 75 | 106,4 | 50 | 133,4 | 4xM12 | 1800 | 17 |
| 250 | 5 | 85 | 82,6 | 65 | 104,8 | 8xM10 | 1500 | 25,5 |
| 250 | 6 | 85 | 106,4 | 65 | 133,4 | 4xM12 | 1500 | 25,5 |
| 250 | 8 | 85 | 139,7 | 65 | 171,4 | 4xM16 | 1500 | 25,5 |
| 315 | 5 | 95 | 82,6 | 80 | 104,8 | 4xM10 | 1200 | 40 |
| 315 | 6 | 95 | 106,4 | 80 | 133,4 | 8xM12 | 1200 | 40 |
| 315 | 8 | 95 | 139,7 | 80 | 171,4 | 4xM16 | 1200 | 40 |
| 315 | 11 | 95 | 196,9 | 80 | 235 | 4xM20 | 1200 | 40 |
| 400 | 6 | 105 | 106,4 | 100 | 133,4 | 8xM12 | 800 | 65 |
| 400 | 8 | 105 | 139,7 | 100 | 171,4 | 4xM16 | 800 | 65 |
| 400 | 11 | 105 | 196,9 | 100 | 235 | 4xM20 | 800 | 65 |
| 500 | 8 | 120 | 139,7 | 125 | 171,4 | 8xM16 | 500 | 114 |
| 500 | 11 | 120 | 196,9 | 125 | 235 | 8xM20 | 500 | 114 |
| 630 | 8 | 140 | 139,7 | 125 | 171,4 | 8xM16 | 400 | 165 |
| 630 | 11 | 140 | 196,9 | 160 | 235 | 8xM20 | 400 | 165 |
| 630 | 15 | 140 | 285,8 | 160 | 330,2 | 4xM24 | 400 | 165 |
| 800 | 11 | 145 | 196,9 | 180 | 235 | 8xM20 | 300 | 305 |
| 800 | 15 | 145 | 285,8 | 180 | 330,2 | 8xM24 | 300 | 305 |
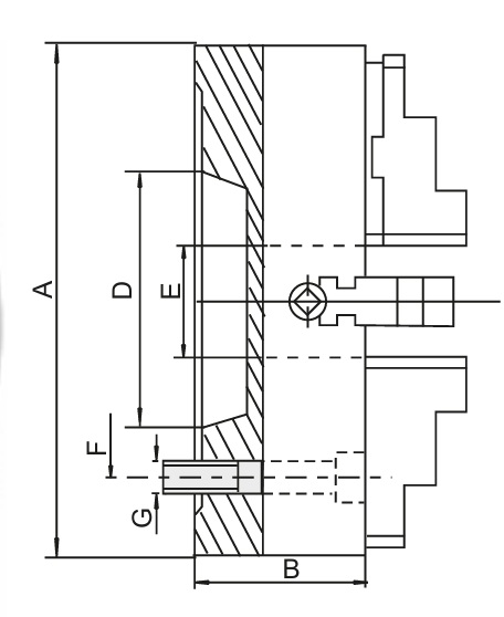
Parametry
| A | B | D | E | F | G | kg | Kužel | Nevyváženost gcm | Oběžný pr.max | U/min max |
|---|---|---|---|---|---|---|---|---|---|---|
| 400 | 105 | 139.7 | 100 | 171.4 | 4 x M16 | 65 | 8 | 20-400 | 465 | 800 |
Tento produkt najdete v našem KATALOGU na straně 36 (2021)
Kartu tohoto produktu si můžete vytisknout zde

Upínací deska 800, litina, DIN 55026-15", jednodílné čelisti
Kód: ZE-4156-815
Strana katalogu: 36 (2021)
Cena na dotaz

Upínací deska 315, litina, DIN 55026-6", jednodílné čelisti
Kód: ZE-4156-316
Strana katalogu: 36 (2021)
21 092,00 Kč/ks
16 864,00 Kč/ks

Upínací deska 630, litina, DIN 55026-11", jednodílné čelisti
Kód: ZE-4156-611
Strana katalogu: 36 (2021)
Cena na dotaz

Upínací deska 250, litina, DIN 55026-6", jednodílné čelisti
Kód: ZE-4156-256
Strana katalogu: 36 (2021)
14 726,00 Kč/ks
11 786,00 Kč/ks

Upínací deska 200, litina, DIN 55026-6", jednodílné čelisti
Kód: ZE-4156-206
Strana katalogu: 36 (2021)
13 705,00 Kč/ks
10 959,00 Kč/ks

Upínací deska 400, litina, DIN 55026-6", jednodílné čelisti
Kód: ZE-4156-406
Strana katalogu: 36 (2021)
29 306,00 Kč/ks
23 450,00 Kč/ks

Upínací deska 200, litina, DIN 55026-5", jednodílné čelisti
Kód: ZE-4156-205
Strana katalogu: 36 (2021)
13 705,00 Kč/ks
10 959,00 Kč/ks

Upínací deska 315, litina, DIN 55026-8", jednodílné čelisti
Kód: ZE-4156-318
Strana katalogu: 36 (2021)
21 092,00 Kč/ks
16 864,00 Kč/ks

Upínací deska 250, litina, DIN 55026-5", jednodílné čelisti
Kód: ZE-4156-255
Strana katalogu: 36 (2021)
14 726,00 Kč/ks
11 786,00 Kč/ks

Upínací deska 250, litina, DIN 55026-8", jednodílné čelisti
Kód: ZE-4156-258
Strana katalogu: 36 (2021)
14 726,00 Kč/ks
11 786,00 Kč/ks

Upínací deska 630, litina, DIN 55026-15", jednodílné čelisti
Kód: ZE-4156-615
Strana katalogu: 36 (2021)
Cena na dotaz

Upínací deska 500, litina, DIN 55026-11", jednodílné čelisti
Kód: ZE-4156-511
Strana katalogu: 36 (2021)
45 903,00 Kč/ks
36 717,00 Kč/ks

Upínací deska 315, litina, DIN 55026-11", jednodílné čelisti
Kód: ZE-4156-311
Strana katalogu: 36 (2021)
18 055,00 Kč/ks
14 434,00 Kč/ks

Upínací deska 315, litina, DIN 55026-5", jednodílné čelisti
Kód: ZE-4156-315
Strana katalogu: 36 (2021)
21 092,00 Kč/ks
16 864,00 Kč/ks

Upínací deska 630, litina, DIN 55026-8", jednodílné čelisti
Kód: ZE-4156-638
Strana katalogu: 36 (2021)
Cena na dotaz

Upínací deska 200, litina, DIN 55026-4", jednodílné čelisti
Kód: ZE-4156-204
Strana katalogu: 36 (2021)
13 705,00 Kč/ks
10 959,00 Kč/ks

Upínací deska 500, litina, DIN 55026-8", jednodílné čelisti
Kód: ZE-4156-508
Strana katalogu: 36 (2021)
45 903,00 Kč/ks
36 717,00 Kč/ks

Upínací deska 800, litina, DIN 55026-11", jednodílné čelisti
Kód: ZE-4156-811
Strana katalogu: 36 (2021)
Cena na dotaz

Upínací deska 400, litina, DIN 55026-11", jednodílné čelisti
Kód: ZE-4156-411
Strana katalogu: 36 (2021)
29 306,00 Kč/ks
23 450,00 Kč/ks